产品中心
进口直动式电磁阀
类别:进口电磁阀 发布时间:2020-12-30 14:47 浏览: 次

格林巴赫托普,巴赫BACH进口泵阀品牌。
格林巴赫托普,专注于进口直动式电磁阀制造商,主要产品:水泵,阀门,水处理设备等系列产品的制造、销售、售后服务,进口直动式电磁阀产品应用在化工、石化、石油、造纸、采矿、电力、液化气、食品、制药、给排水等领域。
描述
PS二位二通零压差直动式电磁阀,常开型,断电打开,通电关闭,阀体材质为铜和不锈钢可选,最大耐压力10kgf/cm²;PS直动式电磁阀为系列化生产,体积小,流量大,适用范围广,电磁阀需要按照阀上所表流向箭头,可任意安装;为增强使用寿命,最好线圈向上,水平安装。
标准技术参数
阀 体
接口尺寸:3/8-4’
流量通径:16-50mm
阀体材质:锻铜、304、316
连接方式:G螺纹、NPT螺纹、法兰
压力等级:0-10bar
结构形式:直动式(管道内无压力直接启动)
控制方式:常闭式、常开式
组 件
密封材质:NBR:0℃-80℃
EPDM:0℃-120℃
VITON:0℃-120℃
环境温度:0℃-65℃
安装方式:按阀体上标记流向安装;为增强使用寿命,线圈最好向上,水平安装
线圈电压:AC24V/110V/220V/230V/240V 50/60HZ DC24V/12V ±10%允许波动
防爆等级:可选EX m II BT4
PS二位二通常开型直动式电磁阀数据表
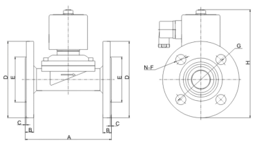
PS二位二通常开型直动式电磁阀外形尺寸图

声明:本产品介绍中所有文字、数据、图片考虑到使用工况条件不同,难免会产生误差、不恰当或是有不充分的描述,故均适用于参考,同一种产品在不同的场合与工况有不同的搭配,如果您对本文中所提供的产品内容有任何疑问,如果您是非专业人士,欢迎您向本公司来电咨询,请您联系我们,我们将竭诚为您服务!
技术QQ;2412941573
销售电话 :13917052988 (微信同号)。


