产品中心
进口内螺纹高压球阀
类别:美国进口阀门 发布时间:1970-01-01 08:00 浏览: 次

进口内螺纹高压球阀性能--
ALSO进口内螺纹高压球阀用来截断水管/气源/液压回路的液流,球阀不是设计为流量控制制阀,因此要么全开要么全闭以免损坏密封。

进口内螺纹高压球阀性能用途--
旋转控制芯轴使球体从开启位置切换到关闭位置,系统压力将球体推向密封碗的无压制侧并无泄漏地切断液流。
本产品广泛应用于机床、系统流程、机械设备、钢铁冶金、环保、液压油路、船舶设备等工业部门的自动化控制系统中,选用不同的材质,可分别适用于水、气体、油品等多种介质。
进口内螺纹高压球阀性能特征--
全流量流通;
耐高压,启闭迅速,扭矩低;
指示槽位观察开关位置;
限位销和限位垫限定开关位置;
无泄漏,不需要手工重调密封件;
进口内螺纹高压球阀性能参数--
通径尺寸:1/4-2”;
公称压力:PN315~PN500Bar;
连接方式:M、G、LR、SR、PT、NPT;
阀体材料:碳钢、不锈钢;
工作温度:-20~+100℃ ~+170℃;
密封材料:丁晴橡胶、氟橡胶;
传动方式:手动、气动
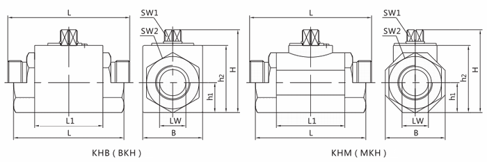
进口内螺纹高压球阀外形尺寸--
KHB不带安装孔



VH2V带安装孔





